聯系熱線
紫外吸收臭氧分析儀 O342M參數介紹 參數 測量氣體:O3 技術原理:紫外分光光度法 US-EPA 批準/QAL 1認證:是 測量范圍:0-10 ppm / 0-500 ppb 測量單位:ppb, ppm, g/m3(用戶可選擇) 檢出限...

法國ENVEA O342e臭氧分析儀(0-500 ppb) 功能和優點 基于LED的紫外線光度 臭氧分析儀 ,可在0-500 ppb或0-10 ppm范圍內提供準確、穩定和可重復的O3測量。 生態學設計的參比空氣質量監測儀,

106-L臭氧分析儀如何設置數據導出 數據可以記錄在內部數據記錄器中。 多達 32,736 條數據線,包括對數、臭氧混合比、內部(電池)溫度、內部(電池)壓力、流速、光電二極管電壓、

美國2B 106型臭氧檢測儀如何使用菜單設置讀數次數 在不記錄的情況下平均數據 從主菜單中選擇平均可以選擇四種平均模式。 按住選擇開關以獲得主菜單。 選擇并單擊 Avg 以獲取 Avg 菜

美國2B 106-M臭氧監測儀使用介紹 操作 臭氧監測儀 時,需連接外部電源,打開電源開關為儀器供電。該儀器需要一個12v直流電源,可以由: 1) 100v AC電源適配器,2)插在汽車或許多輕型飛機

美國2B 106-M臭氧分析儀自帶過濾器嗎 美國2B 型號106-M固件具有通過內置自適應過濾器采樣臭氧濃度數據的能力。默認情況下,此過濾器是關閉的。用戶可以選擇激活這個過濾器,它通過

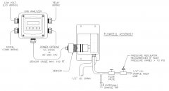
ATI Q46H/64 水中臭氧檢測儀三種安裝方式 ATI水中 臭氧檢測儀 ,常用的三種安裝方式如下: 標準體系 標準型號 Q46H/64 系統包括三個主要組件:Q46H 分析儀、恒壓頭流通池和臭氧傳感器。密

Q46H-64溶解臭氧監測器特性介紹 Q46H/64 型是一種多功能在線監測系統,設計用于連續測量溶液中溶解的臭氧。用戶可以選擇系統的滿量程運行范圍為 0-200.0 ppb、0-2.000 ppm、0-20.00 ppm 或 0-

美國2B 306 臭氧標定源校準數據舉例 下圖是校準一臺Model 202 臭氧分析儀 獲得的數據,它以前已經被我們一臺可NIST溯源的儀器進行了校準,新的目標臭氧濃度每5分鐘被輸進本臭氧校準源
